Wenzhou Joepai Valve Co., Ltd.
Wenzhou Joepai Valve Co., Ltd.
Nachricht

Nachricht

Warum ist unser kostengünstiger dreiteiliger Hochdruck-Kugelhahn aus geschmiedetem Stahl eine gute Wahl?

Was ist ein dreiteiliger Hochdruck-Kugelhahn aus geschmiedetem Stahl?

A 3-teiliger Hochdruck-Kugelhahn aus geschmiedetem Stahlbezieht sich auf einen hochfesten Kugelhahn mit einer dreiteiligen Gehäusestruktur, die durch Schrauben verbunden ist. Sein Schließelement ist eine präzise gefertigte Kugel, die durch den Ventilschaft um die Mittellinie des Ventilkörpers gedreht wird, um eine schnelle Absperrung, Verteilung oder Durchflussumschaltung des Mediums zu erreichen.


Produktbeschreibung

Dreiteilige Kugelhähne aus geschmiedetem Stahl sind einfach zu bedienen, kompakt, zuverlässig abgedichtet, einfach im Aufbau und leicht zu warten. Die Dichtfläche und die Kugel befinden sich immer in einem geschlossenen Zustand und sind daher weniger anfällig für Erosion durch das Medium. Sie werden in verschiedenen Branchen häufig eingesetzt.

Der Ventilkörper wird im Schmiedeverfahren geformt und das Material kann Edelstahl (z. B. F304, F316) oder Kohlenstoffstahl (z. B. A105) sein. Geschmiedete Stahlmaterialien zeichnen sich durch Eigenschaften wie eine dichte Struktur, hervorragende mechanische Eigenschaften und eine hohe Schlagfestigkeit aus, wodurch sie sich besonders für Arbeitsbedingungen mit hohem Druck und hoher Festigkeit eignen.

Je nach den Anforderungen des Rohrleitungssystems können verschiedene Verbindungsmethoden ausgewählt werden, wie z. B. Gewindeanschluss (NPT, BSP-P(G), BSPT(Rc)), Stumpfschweißen (BW), Muffenschweißen (SW) oder Flanschanschluss, was eine flexible Installation und starke Anpassungsfähigkeit bietet.

Der Auslegungsdruck kann bis zu 1500 LB erreichen und eignet sich daher für Hochdrucktransportsysteme in Bereichen wie Erdöl, chemische Industrie und Erdgas.


Standards für dreiteilige Kugelhähne aus geschmiedetem Stahl:

1) Design- und Herstellungsstandards: BS5351, MSS SP-118

2) Abmessungen des Anschlussendes: ANSI B16.10, JB/T1715

Abmessungen des Schweißmuffenendes: ANSI B16.11, JB/T1715

Abmessungen des Gewindeendes: ANSI B1.12.1, JB/T7306

Abmessungen des Stumpfschweißendes: ANSI B16.25, JB/T12224

3) Prüfung und Inspektion: API 598

4) Materialstandards: ANSI/ASTM


3-Piece Forged Steel High-pressure Ball Valve


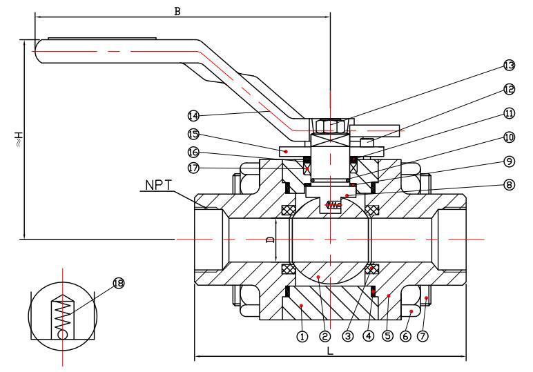
Hauptmaterialtabelle:

NEIN. Teilename Kohlenstoffstahl Edelstahl
1 Körper A105 F304 F304L F316 F316L
2 Ball SS304 F304 SS304L SS316 SS316L
3 Sitz PTFE, RPTFE
4 Dichtung SS304/SS316 + Graphit
5 Kappe A105 F304 F304L F316 F316L
6 Nuss A194-2H A194-8 A194-8M
7 Bolzen A193-B7 A193-B8 A193-B8M
8 Stängel SS304 F304 SS304L SS316 SS316L
9 Anlaufscheibe PTFE, RPTFE
10 O-Ring Viton
11 Drüse SS304 SS304 SS304 SS316 SS316
12 Bolzen 1035
13 Nuss Edelstahl
14 Handhaben WCB, Edelstahl
15 Limitierter Teller 1025
16 Feuerring verhindern SS304, SS316
17 Verpackung Graphit
18 Frühling SS304, SS316


Hauptabmessungstabelle:

DN mm NPS (Zoll) L mm D mm Hmm
15 1/2" 92 13 66
20 3/4" 112 19 72
25 1" 126 24 100
32 11/4 Zoll 129 30 105
40 11/2" 152 38 112
50 2" 176 49 122


3-Piece Forged Steel High-pressure Ball Valve3-Piece Forged Steel High-pressure Ball Valve3-Piece Forged Steel High-pressure Ball Valve3-Piece Forged Steel High-pressure Ball Valve



Professionelle Herstellungsgarantie – Wenzhou Joepai Valve Co., Ltd.

Als Unternehmen, das sich auf die Forschung, Entwicklung und Herstellung von Kugelhähnen aus Edelstahl und Kohlenstoffstahl spezialisiert hat,Wenzhou Joepai Valve Co., Ltd.befindet sich im Binhai Industrial Park des Bezirks Longwan, Wenzhou, der als „Chinas Ventilstadt“ bekannt ist. Das Unternehmen verfügt über eine moderne Produktionsbasis und ein umfassendes Qualitätskontrollsystem. Das Unternehmen ist ausgestattet mit:

Professionelles Forschungs- und Entwicklungszentrum und CNC-Bearbeitungsausrüstung

Fortschrittliche Prüfinstrumente (z. B. Computer-Multielement-Analysegeräte, Leeb-Härteprüfgeräte und Dickenmessgeräte)

Druckprüfmaschinen, Lebenszyklusprüfmaschinen und andere Prüfplattformen für den gesamten Prozess

Joepai Valve setzt auf strenge Prozesse und kontinuierliche Innovation und stellt sicher, dass jeder 3PC-Hochdruckkugelhahn aus geschmiedetem Stahl die hohen Leistungsanforderungen erfüllt und den Kunden sichere, zuverlässige und zuverlässige Leistung bietetlanglebige Ventillösungen.


Ähnliche Neuigkeiten
Hinterlassen Sie mir eine Nachricht
X
Wir verwenden Cookies, um Ihnen ein besseres Surferlebnis zu bieten, den Website-Verkehr zu analysieren und Inhalte zu personalisieren. Durch die Nutzung dieser Website stimmen Sie der Verwendung von Cookies zu. Datenschutzrichtlinie
Ablehnen Akzeptieren