Wenzhou Joepai Valve Co., Ltd.
Wenzhou Joepai Valve Co., Ltd.
Nachricht

Nachricht

JOEPAI bringt neue kostengünstige Hydrantenventile aus Edelstahl 304 auf den Markt – hervorragende Korrosionsbeständigkeit erfüllt die AS2419.2-Standards

JOEPAIist stolz, seine neueste Innovation im Bereich der Brandschutzinfrastruktur vorzustellen: dasNeues Sortiment anHydrantenventile aus Edelstahl 304. Diese Ventile sind auf Langlebigkeit, Konformität und Wertigkeit ausgelegt und bieten eineüberlegene Alternative zu herkömmlichen Messingmodellen– Bereitstellung einer verbesserten Korrosionsbeständigkeit zu einem wettbewerbsfähigeren Preis.

Entworfen in Übereinstimmung mitAS/NZS 2419.2:2009Die neuen Hydrantenventile eignen sich ideal für eine Vielzahl von Anwendungen, einschließlich gewerblicher, industrieller und privater Brandschutzsysteme, insbesondere inaggressive Umgebungen wie Meer und Bergbau.


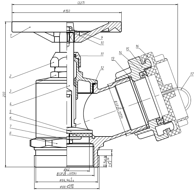
Stainless Steel 304 Fire Hydrant Valves

Produkt-Highlights:

Gewindetyp: Abgewinkelter 65-mm-BSP-geschmiedeter Storz-Adapter mit UV-Kunststoffkappe

Einlasstyp: 80 mm rollgerillt

Materialqualität: Gehäuse, Motorhaube, Scheibe, Mutter aus CF8 (SS304); Vorbau aus SS316 für erhöhte Festigkeit

Dichtungsmaterial: NBR-Gummi für zuverlässige auslaufsichere Leistung

Handrad: Langlebiges HT200-Gusseisen

Beenden: Rot lackierte Beschichtung mit hoher Sichtbarkeit

Arbeitsdruck: 1.400 kPa

Hydrostatischer Prüfdruck: 2.700 kPa

Luftdichtheitsprüfdruck: 800 kPa

Garantie: 12 Monate


Technische Konformität:

Entwickelt und getestetAS2419.2-2009

Leichtgängiger Handradbetrieb ohne Verklemmen nach der Montage

100 % geprüft und getestet – keine Mängel nach Hydrostatik- und Luftdichtheitstests


Warum SS304 gegenüber Messing wählen?

Bessere Korrosionsbeständigkeit: Ideal für raue Umgebungen, in denen Messing mit der Zeit abbauen kann

Kostengünstig: Bietet eine günstigere Lösung ohne Kompromisse bei Qualität oder Leistung

Leicht und dennoch stark: Einfachere Handhabung und Installation bei gleichzeitiger Wahrung der strukturellen Integrität


Andere verfügbare Konfigurationen:

65 mm NSW-Außengewinde x 80 mm Rollnut

65 mm CFA-Außengewinde x 80 mm rollgenutet

65 mm QRT-Stecker x 65 mm BSP-Stecker

65 mm BI x 80 mm rollgerillt

65 mm QRT-Stecker x 80 mm rollgerillt

65-mm-Storz-Adapter x 65-mm-BSP-Stecker

Ganz gleich, ob Sie ein bestehendes System aufrüsten oder für ein neues Projekt spezifizieren, die neuen SS304-Hydrantenventile von JOEPAI bieten dasperfekte Balance aus Leistung, Compliance und Erschwinglichkeit.

Kontaktieren Sie uns noch heuteum mehr zu erfahren oder ein Angebot anzufordern.

Ähnliche Neuigkeiten
Hinterlassen Sie mir eine Nachricht
X
Wir verwenden Cookies, um Ihnen ein besseres Surferlebnis zu bieten, den Website-Verkehr zu analysieren und Inhalte zu personalisieren. Durch die Nutzung dieser Website stimmen Sie der Verwendung von Cookies zu. Datenschutzrichtlinie
Ablehnen Akzeptieren